CLE HD





HD vysokotlaké cyklóny

Popis
Sú určené na odlúčenie pevných častíc zo sýtenej pneudopravy. Sú určené u pneumatickej dopravy silne a stredne abrazívnych materiálov v ťažkých prevádzkových podmienkach. K odlučovaniu častíc tu dochádza mechanickým spôsobom, pôsobením odstredivých síl. Tieto sily pôsobia na častice pri pohybe plynu valcovou komorou cyklóna. Privádza preto tieto častice do rotačného pohybu, kde sa dostavajú ku stene cyklóna. Na tejto stene cyklóna dochádza potom ku odlúčeniu z prúdu plynu. Odlúčené častice padajú do výsypky cyklóna z ktorej sa odvádzajú cez rotačný podávač. Rozmer odlúčených častíc závisí od tlakového spadu cyklóna. Pri rôzne veľkých cyklónoch a pri rovnakom tlakovom spáde bude veľkosť odlúčených častíc úmerná. Z hľadiska spotreby energie je niekedy výhodné zapojiť niekoľko malých cyklónov paralelne namiesto jedného veľkého cyklónu. Takéto zapojenie sa volá cyklónová batéria alebo tiež multicyklón. Pre zväčšenie odlučivosti sa cyklóny môžu zapájať sériovo, takže je čistenie viacstupňové. Spravidla sa do prvého stupňa zapája menší počet väčších cyklónov a do druhého stupňa väčší počet menších cyklónov, ale môžu byť v oboch stupňoch aj rovnako veľké cyklóny.
Výhodou cyklóna je, že nemá žiadne pohyblivé časti. Fungujú spoľahlivo do teplôt až 500°C a pri vysokých tlakoch. Podľa konštrukcie môžu slúžiť na odlučovanie aj abrazívnych materiálov. Ich odlučivosť je malo závislá na koncentrácii častíc. Jednoduchá konštrukcia a výroba.
Nevýhodou cyklóna je abrazívnosť spôsobovaná odlučovanými časticami, čo môže spôsobiť prederavenie cyklóna. Preto musí byt cyklón skonštruovaný z vhodného materiálu s dostatočnou hrúbkou plechov, podľa vlastností odlučovaných častíc. Ďalšou nevýhodou môže byt tiež ,že nie sú vhodné pre odlučovanie lepivých častíc. 

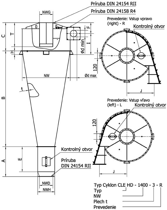
Hlavné časti Cyklónových odlučovačov:

1. Telo Cyklónu – odstredivá komora
2. Výsypka Cyklónu
3. Výsypné hrdlo Cyklónu
4. Vstupné hrdlo Cyklónu – nábehová časť
5. Výstupné hrdlo Cyklónu















Hlavné a pripájacie rozmery cyklóna CLE HD